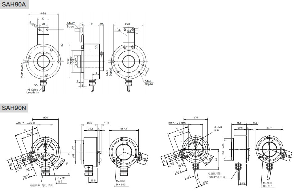
Outside dimensions 90mm through-hole type, hole diameter 45mm max. Precise photoelectric or magnetic induction technology, good electromagnetic compatibility Up to 10,000 P/R pulses per revolution Over-voltage, over-current, surge protection Operating temperatures are selectable from -40°C...+110°C. Rugged metal housing, double bearing design, protection class up to IP65 Reverse short-circuit and short-circuit protection to minimize the impact of installation errors on the encoder.