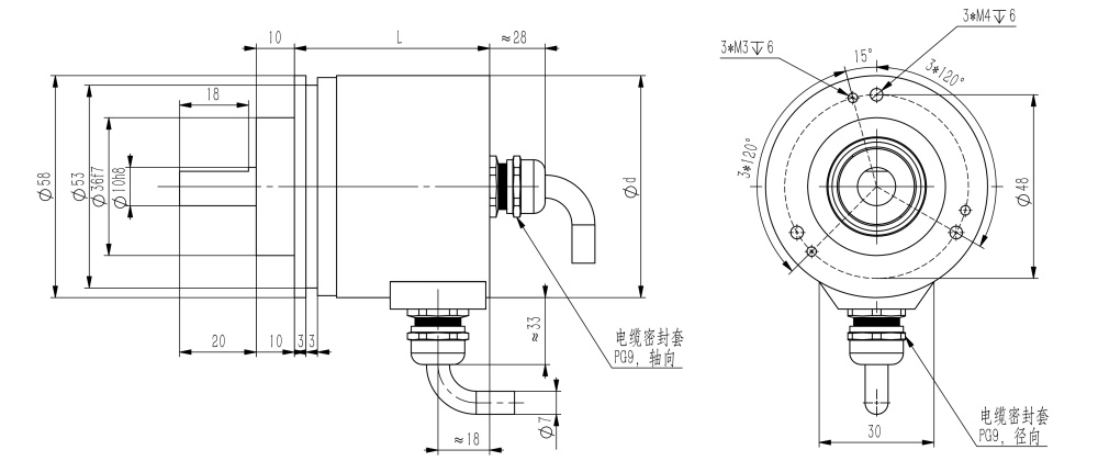
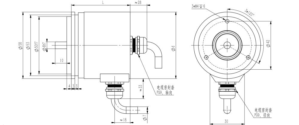
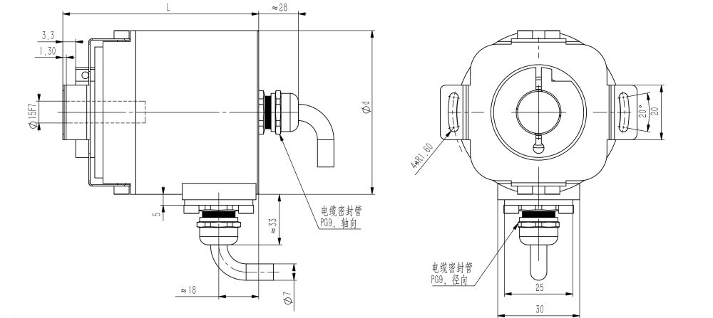
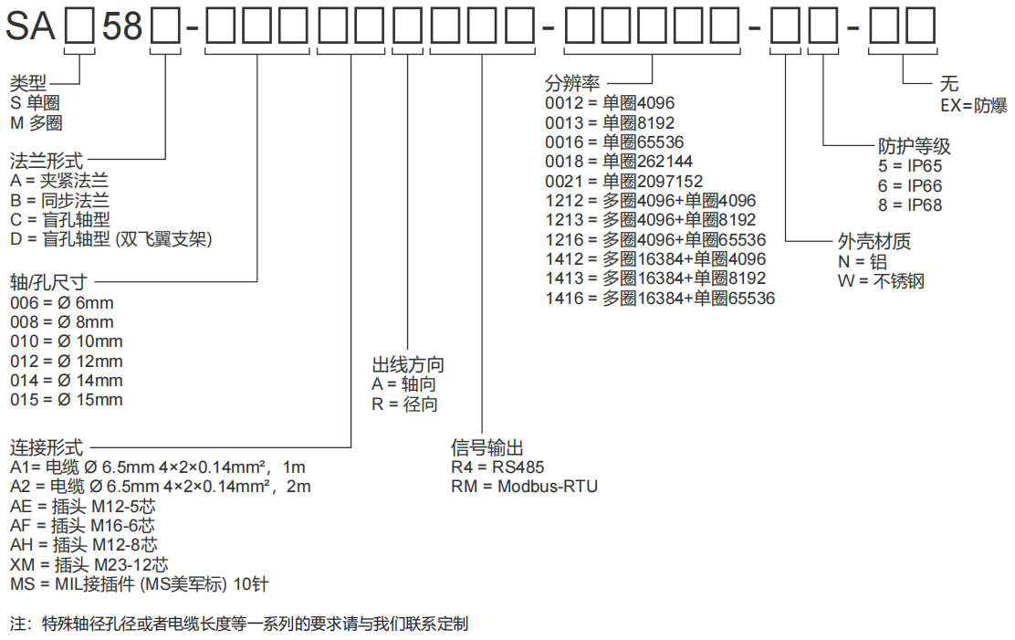
保證產品每個元器件的百分之百純國產化高精確的磁式感應技術,單圈或多圈編碼器RS485自由通訊接口或Modbus-RTU接口可額外增加增量信號TTL或HTL輸出單圈分辨率最高可達21位,多圈圈數高達14位超強的抗沖擊和抗振動能力具備反短接和短路保護、有效降低安裝錯誤對編碼器造成影響
電話聯系:15050450799(微信同號)
? 昆山西威迪高科有限公司 網站地圖 蘇ICP備14036688號 蘇公網安備32058302003763號